F60 Spare Parts: Bracket2-1
Mar 11, 2026
Ħalli messaġġ

| Bracket2-1 | ||||||
| LE. | Kodifikazzjoni tal-materjal | PARTI NO. | DESKRIZZJONI Ingliża | FWTL | BWTL | KOMPATIBBLI YAMAHA |
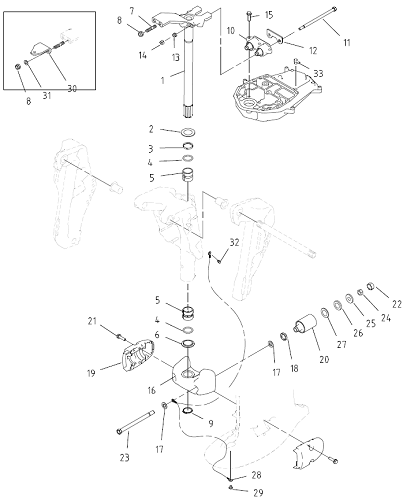
| 1 | C3015821 | F60-03.00.03.00 | Bracket Assy | 1 | 1 | 69W-42510-01-8D |
| 2 | C3075838 | T | Washer | 1 | 1 | 90201-30M00 |
| 3 | C3065825 | F60-03.00.00.14 | Washer | 1 | 1 | 90386-30M78 |
| 4 | C3050421 | T15-03.04.05 | O Ring | 2 | 2 | 93210-29M94 |
| 5 | C3065823 | F60-03.00.00.12 | Washer | 2 | 2 | 90386-30M77 |
| 6 | C3065824 | F60-03.00.00.13 | Bush | 1 | 1 | 90386-30M60 |
| 7 | C3025834 | F60-03.00.00.16 | Bolt M10 × 1.25 × 45 | 2 | 2 | 90116-10063 |
| 8 | C4010431 | GB/T889 | Bolt M10-1.25 | 2 | 2 | 90185-10027 |
| 9 | C4010814 | GB/T894.1 | Ċirku, Rebbiegħa | 1 | 1 | 93410-28M06 |
| 10 | C3055862 | F60-03.00.02.00 | Assorbitur Assy | 1 | 1 | 69W-44514-00 |
| 11 | C3025833 | F60-03.00.00.10 | Bolt MM8 × 1.25 × 175, Assorbitur | 2 | 2 | 90109-08229 |
| 12 | C3075837 | F60-03.00.00.11 | Pjanċa, Assorbitur | 1 | 1 | 69W-44526-01 |
| 13 | C4010446 | GB/T889.1 | Bolt M8 | 2 | 2 | 90185-08018 |
| 14 | C3055860 | F60-03.00.00.09 | Qoxra tal-Ġewż | 2 | 2 | 6C5-44194-00 |
| 15 | C4010293 | GB/T9074.14(BXG) | Bolt U Washer M8X30 | 3 | 3 | 97E75-08530 |
| 16 | C3015817 | F60-03.00.00.07 | Blokk Assorbitur | 1 | 1 | 6C5-44551-00-8D |
| 17 | C4010515 | GB/T97 | Washer 12 | 4 | 4 | 90201-12M16 |
| 18 | C3055858 | F60-03.00.00.04 | Washer tal-gomma, Assorbitur | 2 | 2 | 6C5-43885-01 |
| 19 | C3015816 | F60-03.00.00.01 | Qoxra, Assorbitur | 2 | 2 | 6C5-44552-00-8D |
| 20 | C3055861 | F60-03.00.01.00 | Assorbitur Assy | 2 | 2 | 69W-44555-00 |
| 21 | C4010293 | GB/T9074.14(BXG) | Bolt U Washer M8X30 | 4 | 4 | 90119-08094 |
| 22 | C3055857 | F60-03.00.00.02 | Ġewż | 2 | 2 | 6C5-44575-00 |
| 23 | C3025832 | F60-03.00.00.08 | Bolt M12 × 1.25 × 170 | 2 | 2 | 90109-12MA3 |
| 24 | C4010434 | GB/T6171 | Bolt M12X1.25 | 2 | 2 | 95380-12700 |
| 25 | C3075835 | F60-03.00.00.03 | Washer 12 | 2 | 2 | 90201-13M19 |
| 26 | C3055859 | F60-03.00.00.06 | Washer tal-Gomma | 2 | 2 | 90202-21100 |
| 27 | C3075836 | F60-03.00.00.05 | Washer 22.5 | 2 | 2 | 90201-22M05 |
| 28 | C3095814 | F60-03.00.04.00 | Wajers, Ċomb | 1 | 1 | 67C-82127-10 |
| 29 | C40104129 | GB/T823 | Bolt M6X8 | 1 | 1 | 97885-06008 |

